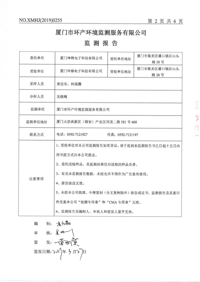
← 返回新闻列表2019-03-28厦门坤锦电子科技有限公司2018年温室气体排放量为1681.246吨CO2e,比2017年温室气体排放减少81.305吨CO2e,下降4.6%。 ← 上一篇抗击疫情,我们在行动!下一篇 →第81届中国国际医疗器械(春季)博览会(CMEF)